總 部:南京市江寧區天元中路126號新城發展中心1號樓6樓
郵 編:211112
總 機:+86(25)84459303 84459429 84459479
傳 真:+86(25)84519256
技術支持熱線:800-828-9961
優倍智造園:南京江寧經濟技術開發區金鑫中路19號
微信公眾號
手機官網
熱電阻是利用金屬導體的電阻隨溫度的變化而變化這一原理而成的,是將溫度量轉換成電阻信號的溫度傳感器。溫度變送器通過給熱電阻施加一已知激勵電流,測量其兩端的電壓得到電阻值,再將電阻值轉換成溫度值,從而實現溫度測量。熱電阻和溫度變送器之間有三種接線方式:二線制、三線制、四線制,不同接線方式的測量原理如下:
二線制:變送器通過導線L1、L2給熱電阻施加激勵電流I,并測得兩端電勢,由于連接導線的電阻RL1、RL2無法測得而被計入到熱電阻的電阻值中,使得測量結果有一定的附加誤差。

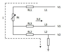
三線制:是實際應用中最常見的接法,如下圖。增加一根導線用以補償連接導線的電阻引起的測量誤差。三線制要求三根導線的材質、線徑、長度一致且工作溫度相同,使三根導線的電阻值相同。通過導線L1、L2給熱電阻施加激勵電流,測得電勢V1、V2、V3,導線L3接入高阻抗電路,則熱電阻兩端電壓可通過計算得到,消除了導線電阻的影響。

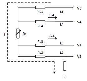
四線制:是熱電阻測溫理想的接線方式,如下圖。通過導線L1、L2給熱電阻施加激勵電流I,測得電勢V3、V4,導線L3、L4將接入高阻抗電路,因此V4-V3等于熱電阻兩端電壓,不受連接導線電阻的影響。

優倍電氣溫度變送器,支持二線制、三線制及四線制熱電阻輸入測量,可滿足客戶在現場的不同接線需求。